1. n-๋นํธ ๋ ์ง์คํฐ
- ์ ์: n๊ฐ์ ํ๋ฆฝํ๋กญ๊ณผ ๋ฐ์ดํฐ ์ฒ๋ฆฌ์ฉ ์กฐํฉํ๋ก๋ก ๊ตฌ์ฑ
- ๊ธฐ๋ฅ: n๋นํธ์ 2์ง ์ ๋ณด ์ ์ฅ
- ์: 4๋นํธ ๋ ์ง์คํฐ

ํน์ง
- ๊ณตํต clock ์
๋ ฅ์ผ๋ก ๋์ ๋์
- Clear ์
๋ ฅ (0) โ ์ถ๋ ฅ์ 0์ผ๋ก ์ด๊ธฐํ
- Clock ์ฐจ๋จ โ ๋ ์ง์คํฐ ๋ด์ฉ ์ ์ง
2. ๋ณ๋ ฌ ๋ก๋ ๋ ์ง์คํฐ

- ์ฃผ ํด๋ญํ์ค ๋ฐ์๊ธฐ ์ฌ์ฉ
- Load ์ ์ด์
๋ ฅ์ผ๋ก ํด๋ญํ์ค ์์ฉ ๊ฒฐ์
- Load = 1: ํด๋ญ ์์น ์ ๋ฐ์ดํฐ ๋ก๋
- Load = 0: ๋ ์ง์คํฐ ๋ด์ฉ ์ ์ง
3. ์ํํธ ๋ ์ง์คํฐ

- ๊ธฐ๋ฅ: 2์ง ์ ๋ณด๋ฅผ ๋จ/์๋ฐฉํฅ์ผ๋ก ์ด๋
- ๊ตฌ์กฐ: ํ๋ฆฝํ๋กญ ๊ฐ ์ฐ์์ ์ฐ๊ฒฐ
- ๋์: ํด๋ญ ํ์ค์ ์ํด 1๋นํธ์ฉ ์ด๋
๋ณ๋ ฌ ๋ก๋ ์๋ฐฉํฅ ์ํํธ ๋ ์ง์คํฐ

- ๊ตฌ์ฑ: 4 D-FF + 4x1 MUX
- ๊ธฐ๋ฅ:
- ํด๋ญํ์ค ์
๋ ฅ
- ์ฐ์ธก/์ข์ธก ์ํํธ
- ๋ณ๋ ฌ ๋ก๋/์ถ๋ ฅ
- ์ ๋ณด ์ ์ง ๊ธฐ๋ฅ

์์ฉ

- ์ฃผ์ ์ฉ๋: ์๊ฒฉ ์์คํ
๊ฐ ๋ฐ์ดํฐ ์ ์ก
4. ์นด์ดํฐ
- ์ ์: ์
๋ ฅํ์ค์ ๋ฐ๋ผ ์ ํด์ง ์์๋ก ์ํ ๋ณ์ด
- ์ฉ๋: ์ฌ๊ฑด ๋ฐ์ ํ์ ๊ณ์, ํ์ด๋ฐ ์ ํธ ์์ฑ
- ์ข
๋ฅ: Up-Counter, Down-Counter
- ๊ณ์ ๋ฒ์: n๋นํธ โ 0 ~ (2^n - 1)
๋๊ธฐ์ ์นด์ดํฐ

- ํน์ง: ๋ชจ๋ ํ๋ฆฝํ๋กญ์ ๊ณตํต ํด๋ญ ์ฐ๊ฒฐ
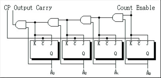
๋น๋๊ธฐ์ ์นด์ดํฐ
- ํน์ง: ์ฒซ ํ๋ฆฝํ๋กญ์ ์ถ๋ ฅ์ด ๋ค์ ํ๋ฆฝํ๋กญ์ ํด๋ญ์ผ๋ก ์ฐ๊ฒฐ
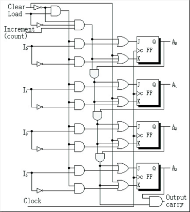
๋ณ๋ ฌ ๋ก๋ 2์ง ์นด์ดํฐ

- ๊ธฐ๋ฅ: ์ด๊ธฐ๊ฐ ์ค์ ๊ฐ๋ฅ
- ๋์ ๋ชจ๋:
- Clear (1) โ ๋ชจ๋ ๋นํธ 0์ผ๋ก ์ด๊ธฐํ
- Load (1) โ ๋ณ๋ ฌ ์
๋ ฅ ๋ก๋
- Increment (1) โ ์ค๋ฆ์ฐจ์ ๊ณ์

5. ๋ฉ๋ชจ๋ฆฌ ์ฅ์น
- ์ ์: ์ ๋ณด ์
์ถ๋ ฅ ๊ธฐ๋ฅ์ ๊ฐ์ง ์ ์ฅ์์ ์งํฉ
- ๋จ์: Word (๋นํธ ๊ทธ๋ฃน), Byte (8๋นํธ)
- ๊ตฌ์กฐ: ์๋ ์์ ๋นํธ ์๋ก ๊ท์
- ์ฃผ์ ์ง์ : 0 ~ 2^k - 1 (k: ์ฃผ์ ๋นํธ ์)
์ฉ๋ ๋จ์
- 1K = 2^10 Byte
- 1M = 2^20 Byte
- 1G = 2^30 Byte
RAM (Random Access Memory)

- ํน์ง: ๋ชจ๋ ์๋์ ๋์ผํ ์ ๊ทผ ์๊ฐ
- ๊ตฌ์ฑ: ๋ฐ์ดํฐ ๋ผ์ธ, ์ฃผ์ ๋ผ์ธ, ์ ์ด ๋ผ์ธ
- ๋์:
- ์ฐ๊ธฐ: ์ฃผ์ ์ง์ โ ๋ฐ์ดํฐ ์
๋ ฅ โ Write ํ์ฑํ
- ์ฝ๊ธฐ: ์ฃผ์ ์ง์ โ Read ํ์ฑํ
ROM (Read Only Memory)

- ํน์ง: ๋ด์ฉ ๋ณ๊ฒฝ ๋ถ๊ฐ, ์ฝ๊ธฐ๋ง ๊ฐ๋ฅ
- ๊ท๊ฒฉ: m x n ROM (m: ์๋ ์, n: ๋นํธ ์)
- ๊ตฌ์ฑ: ๋์ฝ๋ + OR ๊ฒ์ดํธ
- ์ข
๋ฅ:
- ๊ณ ์ ํ๋ก๊ทธ๋จ ROM
- PROM (Programmable ROM)
- EPROM (Erasable PROM)
- EEPROM (Electrically EPROM)
Chap.2 Problems 3,12,21.๏ submit only 3
Due by next week class
Copied one will be returned without grading
No late homework will be accepted